Overview
Il Inspire Robots LAF50 Series Micro Linear Servo Actuator è un attuatore compatto e ad alta precisione con un sensore di controllo della forza integrato. Basandosi sulla serie LA, il LAF50 aggiunge la rilevazione e il feedback della forza in tempo reale, consentendo un controllo preciso per applicazioni robotiche e di automazione avanzate. Combina un corpo di 50 g, una corsa di 50 mm e una forza massima di uscita di 50 N con un design integrato di azionamento e controllo, rendendolo ideale per sistemi che richiedono miniaturizzazione, alta precisione e feedback reattivo.
Caratteristiche principali
-
Sensore di Controllo della Forza Integrato: Rilevazione e feedback della forza in tempo reale con un intervallo di ±100 N e una risoluzione di 1 N.
-
Alta Precisione: Precisione di posizionamento di ±0.1 mm garantisce un movimento affidabile e ripetibile.
-
Compatto e Leggero: Pesa solo 50 g con un fattore di forma sottile (lunghezza 170,7 mm), adatto per spazi ristretti.
-
Alta Densità di Potenza: Capace di erogare 50 N di forza massima e 80 N di forza di bloccaggio/auto-bloccante.
-
Drive e Controllo Integrati: Driver servo integrato, sensore di posizione e comunicazione bus semplificano la progettazione del sistema.
-
Durabilità e Protezione: Livello di protezione IP40 e un ampio intervallo di temperatura operativa (-10 °C a +60 °C).
Specifiche
Parametri Standard
| Parametro | Valore |
|---|---|
| Corso | 50 mm |
| Peso | 50 g |
| Tensione di Funzionamento | DC 8 V ±10% |
| Precisione di Posizione | ±0.1 mm |
| Corrente di Quiescenza | 0.05 A |
| Corrente di Picco | 2 A |
| Intervallo del Sensore di Forza | -100 N ~ +100 N |
| Risoluzione del Sensore di Forza | 1 N |
| Intervallo di Temperatura | -10 °C ~ +60 °C |
| Livello IP | IP40 |
Parametri di Prestazione (Livello di Velocità 02)
| Parametro | Valore |
|---|---|
| Forza Massima | 50 N |
| Forza del Rotore Bloccato | 80 N |
| Forza di Auto-Blocco | 80 N |
| Velocità a Vuoto | 17 mm/s |
| Velocità a Carico Completo | 8 mm/s |
| Corrente a Vuoto | 0.3 A |
Accessori
-
Adattatore di alimentazione 8.5 V
-
Cavo di comunicazione (porta seriale D-LVTTL)
Applicazioni
Il attuatore della serie LAF50 è versatile e adatto a una varietà di settori e applicazioni:
-
Robot umanoidi – per attuazione precisa di giunti o dita.
-
Strumenti biomedici – movimento ad alta precisione in strumenti diagnostici o chirurgici.
-
Industria automatizzata – sistemi di pick-and-place e assemblaggio di precisione.
-
Nuova energia – produzione di batterie e operazioni di micro-posizionamento.
Struttura Interna
L'attuatore integra un driver servo, sensore di posizione, riduttore, vite di avanzamento, e sensore di forza in un pacchetto compatto, garantendo prestazioni senza soluzione di continuità senza la necessità di componenti esterni.
Dettagli

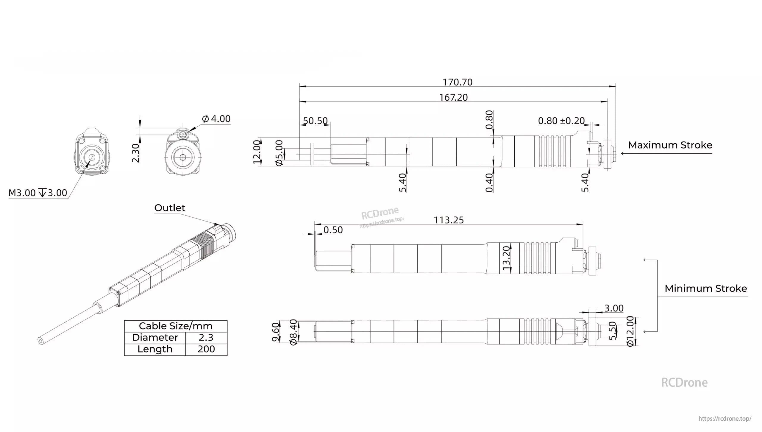
Attuatore servo lineare micro LAF 50, corsa di 50mm, sensore di forza integrato per il controllo in tempo reale.

Attuatore servo lineare micro LAF 50. Dimensioni ridotte, 50g. Alta precisione, accuratezza di ±0.1mm. Alta densità di potenza, forza di 50N. Guida e controllo integrati. Modello di controllo della forza. Dimensioni: lunghezza 170.70mm.

Attuatore servo lineare micro con controllo bus integrato, motore, sensori e riduttore.

Attuatore servo lineare micro con corsa di 50mm, interfaccia filettata M3 e sensore di forza integrato.

Attuatore servo LAF50-024D: corsa di 50mm, 50g, DC8V±10%, ripetibilità di ±0.1mm, -10°C a +60°C, IP40. Livello di velocità 02: forza massima di 50N, 17mm/s a vuoto, 8mm/s a pieno carico.

Dimensioni dell'attuatore servo Inspire LAF50: corsa massima 170.70mm, corsa minima 113.25mm, cavo di 2.3mm di diametro, lungo 200mm, filettatura M3, uscita specificata.

Related Collections

Esplora più droni e accessori
-
Drone con fotocamera
La nostra collezione di droni con telecamera presenta un'ampia gamma di marchi...
-
Accessori per droni
Scopri un'ampia gamma di accessori per droni per migliorare le prestazioni di...