Vipimo
| Kipengee | Vipimo |
|---|---|
| Chapa | Hobbywing |
| Kitambulisho cha mfano | XRotor Pro-H300A-24S-BLDC ESC |
| Mgawanyiko wa Voltage | 12~24S (36~120V) |
| Kuendelea Sasa | 140A |
| Kilele cha Sasa | 360A (sekunde 3) |
| Joto la Uendeshaji | -40 ℃ hadi +65 ℃ |
| Mbinu ya Mawasiliano | INAWEZA Basi / RS485 (bandari ya UART inayoweza kubinafsishwa) |
| Mbinu ya Kujitenga | Kutengwa kwa koo / Mawasiliano |
| Uboreshaji wa Firmware | Imeungwa mkono |
| Digital Throttle | CAN au RS485 au Dual Bus (CAN+RS485) |
| Kiwango cha PWM | 5V / 3.3V |
| Mzunguko wa PWM | 50-500Hz |
| Upana wa Mapigo ya PWM | 1100-1940μs |
| Urekebishaji wa koo | Haibadiliki, isiyoweza kurekebishwa |
| Msaada wa Throttle mbili | CAN+RS485 / CAN+PWM / RS485+PWM |
| Nafasi ya Propela | Hiari |
| Ukataji wa Makosa | Saa 2–48 za data ya wakati halisi na rekodi ya makosa, uwajibikaji wa wakati halisi wa kiwango cha ms |
| Ukadiriaji wa Ulinzi | IP55 (inaweza kubinafsishwa hadi IP67) |
| Uzito (isipokuwa Waya) | 850g |
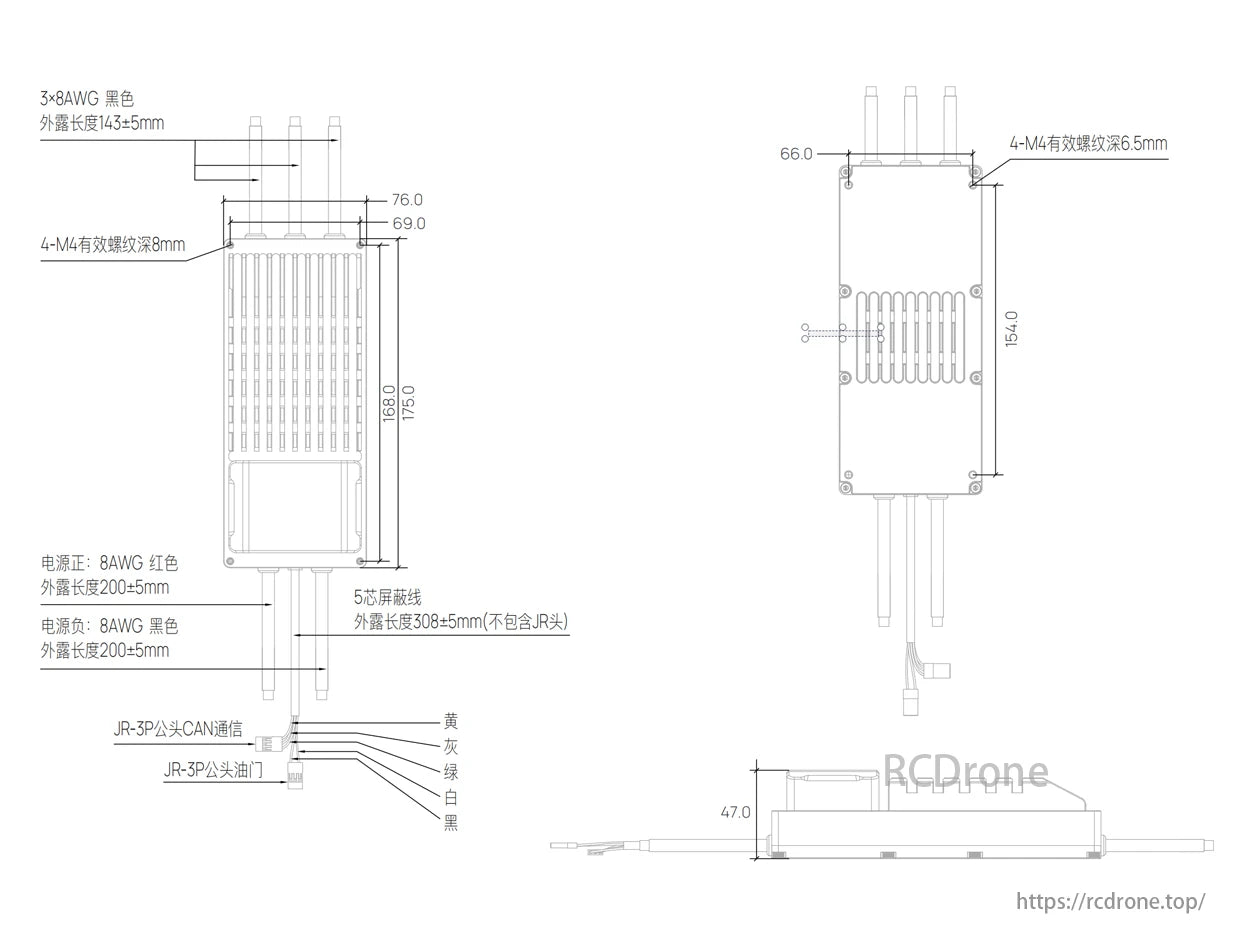
| Vipimo | 175 × 76 × 47 mm |
| Vipimo vya Wiring | - Ingizo: Waya ya Silicone 8AWG, 200mm ×2 - Pato: 8AWG Silicone Waya, 150mm ×3 - Mawimbi: Kebo yenye Shielded 5-core, 300mm ×2, Plug ya Kiume ya JR-3P |
Maelezo
XRotor Pro-H300A-24S-BLDC

Maelezo ya mchoro vipimo na vipimo vya kifaa kilicho na viunganishi mbalimbali. Inajumuisha nyaya nyeusi za 3x8AWG, skrubu 4-M4, nyaya za umeme 8AWG nyekundu na nyeusi, na viunganishi vya JR-3P CAN na viunganishi vya throttle. Vipimo huanzia 66mm hadi 175mm.





Related Collections

Chunguza drones zaidi na vifaa
-
Drone ya Kamera
Kukusanya kwetu kwa Drones za Kamera kuna anuwai kubwa ya chapa ikiwa...
-
Vifaa vya drone
Gundua anuwai ya vifuasi vya drone ili kuboresha utendaji wa ndege, kupanua...