সংক্ষিপ্ত বিবরণ
আরসিড্রোন এমডি30 একটি কমপ্যাক্ট মাইক্রো লিনিয়ার সার্ভো অ্যাকচুয়েটর যা সংকীর্ণ স্থানে সঠিক পুশ/পুল গতির জন্য ডিজাইন করা হয়েছে। এটি 6V এ চলে, 30 মিমি স্ট্রোক প্রদান করে, এবং PWM, এলভি-টিটিএল, এবং আরএস485 এর মতো একাধিক নিয়ন্ত্রণ/ইন্টারফেস বিকল্প সমর্থন করে। 0.1 মিমি নিয়ন্ত্রণ সঠিকতা এবং একটি ছোট ফর্ম ফ্যাক্টর সহ, এটি রোবোটিক্স, অটোমেশন মেকানিজম, চিকিৎসা ডিভাইস এবং ইউএভি-সংক্রান্ত সমাবেশগুলির জন্য উপযুক্ত যা সঠিক লিনিয়ার পজিশনিং প্রয়োজন।
মূল বৈশিষ্ট্য
-
মাইক্রো লিনিয়ার সার্ভো অ্যাকচুয়েটর যার সামঞ্জস্যযোগ্য/নিয়ন্ত্রণযোগ্য স্ট্রোক পজিশনিং
-
30 মিমি স্ট্রোক সহ 0.1mm নিয়ন্ত্রণ সঠিকতা
-
একাধিক ইন্টারফেস বিকল্প: PWM / LV-TTL / RS485
-
গতি/লোড কনফিগারেশন উপলব্ধ (নীচের টেবিল দেখুন)
-
IP23 সুরক্ষা রেটিং
-
কমপ্যাক্ট মাউন্টিং Ø3mm মাউন্টিং হোল
স্পেসিফিকেশন
| আইটেম | মান |
|---|---|
| মডেল | MD30 (লেবেল উদাহরণ: MD30-06P-06) |
| রেটেড ভোল্টেজ | 6V |
| সুরক্ষা রেটিং | IP23 |
| নো-লোড পাওয়ার | 2W |
| নো-লোড গতি | 20mm/s |
| ফুল-লোড গতি | 12mm/s |
| স্ট্রোক | 30mm |
| Color | কালো |
গতি / শক্তি বিকল্প (নির্বাচনযোগ্য)
| বিকল্প | গতি | শক্তি (ধাক্কা/টানা) |
|---|---|---|
| উচ্চ শক্তি | 6mm/s | 100N |
| সন্তুলিত | 12mm/s | 60N |
| উচ্চ গতি | 20mm/s | 10N |
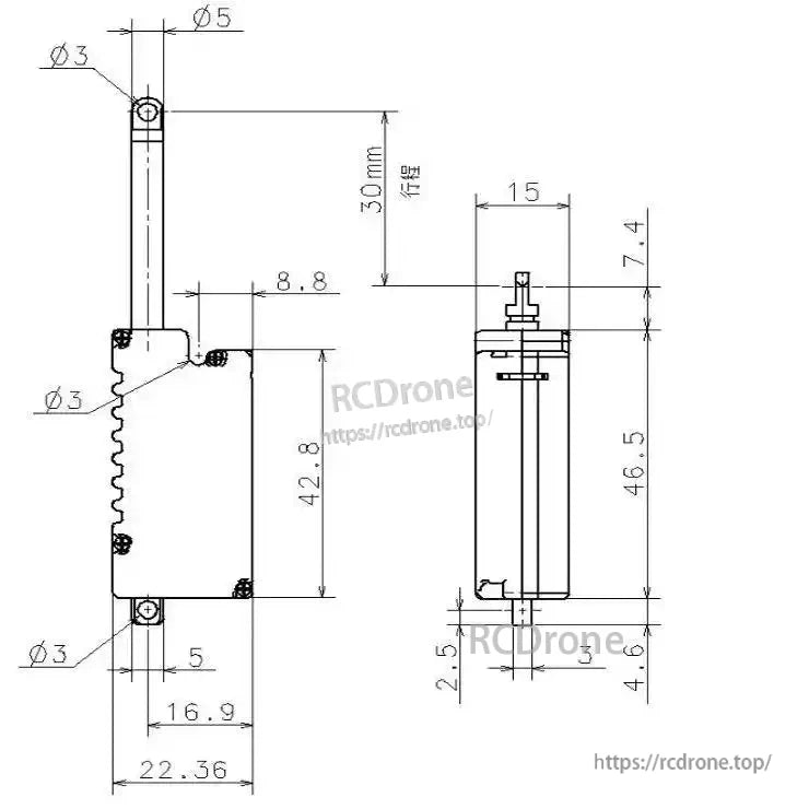
আকার &এবং মাউন্টিং (মিমি)
| আইটেম | মান |
|---|---|
| স্ট্রোক | 30 |
| শরীরের দৈর্ঘ্য | 46.5 |
| শরীরের পুরুত্ব (পাশের দৃষ্টিকোণ) | 15 |
| শরীরের উচ্চতা (মুখ্য অংশ) | 42.8 |
| সর্বাধিক প্রস্থ (নিচের মাত্রা) | 22.36 |
| মাউন্টিং হোলের ব্যাস | Ø3 |
ইন্টারফেস / নিয়ন্ত্রণ বিকল্পসমূহ
-
PWM
-
LV-TTL
-
RS485
-
অতিরিক্ত নিয়ন্ত্রণ কনফিগারেশন তালিকাভুক্ত: শক্তি সুইচিং সহ দিক নিয়ন্ত্রণ, এবং সামঞ্জস্যযোগ্য শক্তি/গতি/স্ট্রোক সহ দিক নিয়ন্ত্রণ (কনফিগারেশন-নির্ভর)
অ্যাপ্লিকেশনসমূহ
-
রোবোটিক লিঙ্কেজ, ছোট গ্রিপার, ল্যাচ, ভালভ, এবং স্লাইডার
-
শিল্প অটোমেশন ফিক্সচার এবং কম্প্যাক্ট পজিশনিং মডিউল
-
মেডিকেল যন্ত্রপাতির মাইক্রো-মোশন মেকানিজম
-
UAV এবং পে-লোড মেকানিজম যা সঠিক লিনিয়ার অ্যাকচুয়েশন প্রয়োজন
কি অন্তর্ভুক্ত
1 × MD30 মাইক্রো লিনিয়ার সার্ভো অ্যাক্টুয়েটর (সংযুক্ত ক্যাবল/হারনেস সহ)
নোটস
-
আপনার প্রয়োজনীয় লোড এবং ভ্রমণ সময়ের উপর ভিত্তি করে গতি/শক্তি বিকল্প নির্বাচন করুন (উচ্চ শক্তি সাধারণত নিম্ন গতির অর্থ)।
-
যদি আপনার একটি নির্দিষ্ট প্রোটোকল, তারের সংযোগ, বা নিয়ন্ত্রণ মোড (PWM বনাম LV-TTL বনাম RS485) প্রয়োজন হয়, তাহলে অর্ডার করার আগে আপনার কন্ট্রোলারের সামঞ্জস্য নিশ্চিত করুন।

Related Collections

আরও ড্রোন এবং আনুষাঙ্গিক অন্বেষণ করুন
-
ক্যামেরা ড্রোন
আমাদের ক্যামেরা ড্রোন সংগ্রহে FIMI, JJRC, SJRC, Holy Stone, Potensic, EXO, ZLL...
-
এফপিভি ড্রোন
আমাদের সম্পূর্ণ FPV ড্রোন সংগ্রহটি ঘুরে দেখুন, যেখানে RTF, BNF, এবং PNP...
-
ড্রোন আনুষাঙ্গিক
ফ্লাইটের কর্মক্ষমতা বৃদ্ধি, ব্যাটারির আয়ু বৃদ্ধি এবং আপনার সরঞ্জাম সুরক্ষিত রাখার জন্য...