SPEZIFIKATIONEN
Verwendung: Fahrzeuge und ferngesteuerte Spielzeuge
Teile/Zubehör aktualisieren: Adapter
Werkzeugzubehör: Schneiden
Technische Parameter: Wert 2
Fernbedienungsperipheriegeräte/-geräte: Empfänger
Alter empfehlen: 18+,12+y
RC-Teile und Zubehör: Anschlüsse/Verkabelung
Herkunft: Festlandchina
Modellnummer: APM2.8
Material: Metall
Allradantriebsattribute: Baugruppe
Für Fahrzeugtyp: Flugzeuge
APM2.8 APM 2.8 Nein / Eingebauter Kompass Flight Controller Board gebogener Stift mit Gehäuse für DIY FPV RC Drone Multicopter
Achtung:
---- Mit Schutzhülle, aber ohne Stoßdämpfer! Für die detaillierte Verbindung und Programmierung kontaktieren Sie mich bitte direkt.
- 1* APM2.8 Board (Sie müssen mit Kompass oder ohne Kompass wählen)
- 1* APM2.8 Schutzhülle
Größe: 70*45*13,5
Gewicht: 28G
APM ist eine Open-Source-Flugsteuerung, kann man APM gut spielen? hängen von den individuellen Fähigkeiten ab. Der Spieler muss über ein grundlegendes Verständnis von monolithischen integrierten Schaltkreisen, C-Sprache, Kenntnisse in Elektrik und Mechanik verfügen und benötigt außerdem ein gewisses Maß an geistiger Leistungsfähigkeit, finanziellen und materiellen Ressourcen sowie Energieunterstützung. Wenn Sie nicht bereit sind, empfehlen wir dies Sie bereiten zunächst einige einführende Informationen vor.
Einführung:
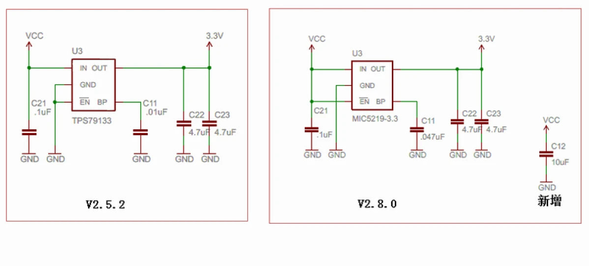
Beseitigung der Version V2.52 Alte 1,0 mm 6P SM06B GPS-Schnittstelle, geändert in die externe I2C-Schnittstelle des Kompasses DF13-4P, Platzieren Sie das DF13-5P GPS Schnittstelle mit externen Schnittstellen des Kompasses, bequemer für GPS-Verbindungen mit externem Kompass.
Die V2.52 I2C-Schnittstelle wurde durch Mehrzweck-MUX-Schnittstellen ersetzt, die von den Benutzern selbst über die Schnittstelle verwendet werden können Pad der Rückplatine, frei konfigurierbarer Funktionsausgang, UART0, UART2, I2C, OSD optional, Standard-OSD-Schnittstelle, Vermeidung der Version 2.52. Wenn Sie sowohl Datenübertragung als auch OSD verwenden möchten, müssen Sie die Y-Leitung verwenden, um das Schnittstellenprogramm zu trennen. Verbesserte OSD-Schnittstelle bei Verwendung in Verbindung mit Datenübertragung, aufgrund des Isolationswiderstands, effektiver zur Vermeidung von Störungen bei der Datenübertragung.
Neue Version 2.8.0 verwendet US-amerikanischen Semi-LP2985-3.3, Druck -Beständig bis 16 V, erhöhte Zuverlässigkeit, verringerte Wahrscheinlichkeit eines schlechten Gyro-Zustands aufgrund von Spannungsproblemen.


Eigenschaften:
- Arduino-kompatibel!
- Kann mit oberen Einführungsstiften zum vertikalen Anbringen von Steckverbindern oder mit seitlichen Einführungsstiften zum horizontalen Einschieben Ihrer Steckverbinder an beiden Enden bestellt werden
- Beinhaltet 3-Achsen-Gyroskop, Beschleunigungsmesser und Magnetometer sowie ein Hochleistungsbarometer
- Integrierter 4-Megabyte-Dataflash-Chip für automatische Datenprotokollierung
- Optionales externes GPS, uBlox LEA-6H-Modul mit Kompass.
- Eines der ersten Open-Source-Autopilotsysteme, das den 6 DoF-Beschleunigungsmesser/Gyro MPU-6000 von Invensense nutzt.
- Luftdrucksensor von Measurement Specialties auf MS5611-01BA03 aufgerüstet.
- Atmels ATMEGA2560 und ATMEGA32U- 2 Chips für Verarbeitung bzw. USB-Funktionen.

2. Analoger Sensoranschluss
3. Autostabilitäts-Gimbal-Ausgang
4. ATMEGA2560 SPI-Online-Programmieranschluss (nützlich für optischen Flusssensor)
5. USB-Anschluss
6. Fernbedienungseingang
7. Funktionsauswahl-Jumper
8. GPS-Port
9. 12C externer Kompassanschluss
10. ATMEGA32U2 SPI-Online-Programmierport
11. Multifunktions-konfigurierbarer MUX-Port (OSD ist der Standardausgang)
12. aktueller Spannungsport
13. Auswahlbrücke für ESC-Stromversorgung
14. ESC-Ausgabeport
Related Collections

Entdecken Sie mehr Drohnen und Zubehör
-
Kameradrohne
Unsere Kamera-Drohnen-Kollektion bietet eine breite Palette von Marken, darunter FIMI, JJRC, SJRC,...
-
FPV -Drohne
Entdecken Sie unsere komplette FPV-Drohnenkollektion mit Racing-, Freestyle-, Long Range-, Cinewhoop- und...
-
Drohnenzubehör
Entdecken Sie eine große Auswahl an Drohnenzubehör, um die Flugleistung zu verbessern,...














