Обзор
DAMIAO DM-J4310-2EC - это компактный роботизированный мотор с интегрированным редуктором и двойными магнитными энкодерами для точного управления движением. Он работает при напряжении 24 В и обеспечивает номинальный крутящий момент 3 Н·м, пиковый крутящий момент 7 Н·м и номинальную скорость 120 об/мин через редукцию 10:1. Управление и конфигурация поддерживаются через CAN@1Mbps и UART@921600bps.
Ключевые особенности
- Работа при 24 В с номинальным током 2,5A и пиковым током 7,5A
- Редукция 10:1 для высокого крутящего момента: 3 Н·м номинальный, 7 Н·м пиковый
- Двойные однооборотные магнитные энкодеры, разрешение 14 бит
- Компактные размеры и легкий вес: внешний диаметр 57 мм, высота 46 мм, 300 г
- Интерфейс управления CAN@1Mbps; конфигурация UART@921600bps
Технические характеристики
| Параметр | Значение |
|---|---|
| Модель | DM-J4310-2EC |
| Номинальное напряжение | 24 В |
| Номинальный ток | 2.5A |
| Пиковый ток | 7.5A |
| Номинальный крутящий момент | 3 N.M |
| Пиковый крутящий момент | 7 N.M |
| Номинальная скорость | 120 RPM |
| Макс.html | |
| Скорость без нагрузки | 200 об/мин |
| Передаточное отношение | 10:1 |
| Пары полюсов | 14 |
| Индуктивность фазы | 340 мкГн |
| Сопротивление фазы | 650 мОм |
| Внешний диаметр | 57 мм |
| Высота | 46 мм |
| Вес мотора | 300 г |
| Разрешение энкодера | 14 бит |
| Количество энкодеров | 2 |
| Тип энкодера | Однооборотный магнитный энкодер |
| Интерфейс управления | CAN@1Mbps |
| Интерфейс конфигурации | UART@921600bps |
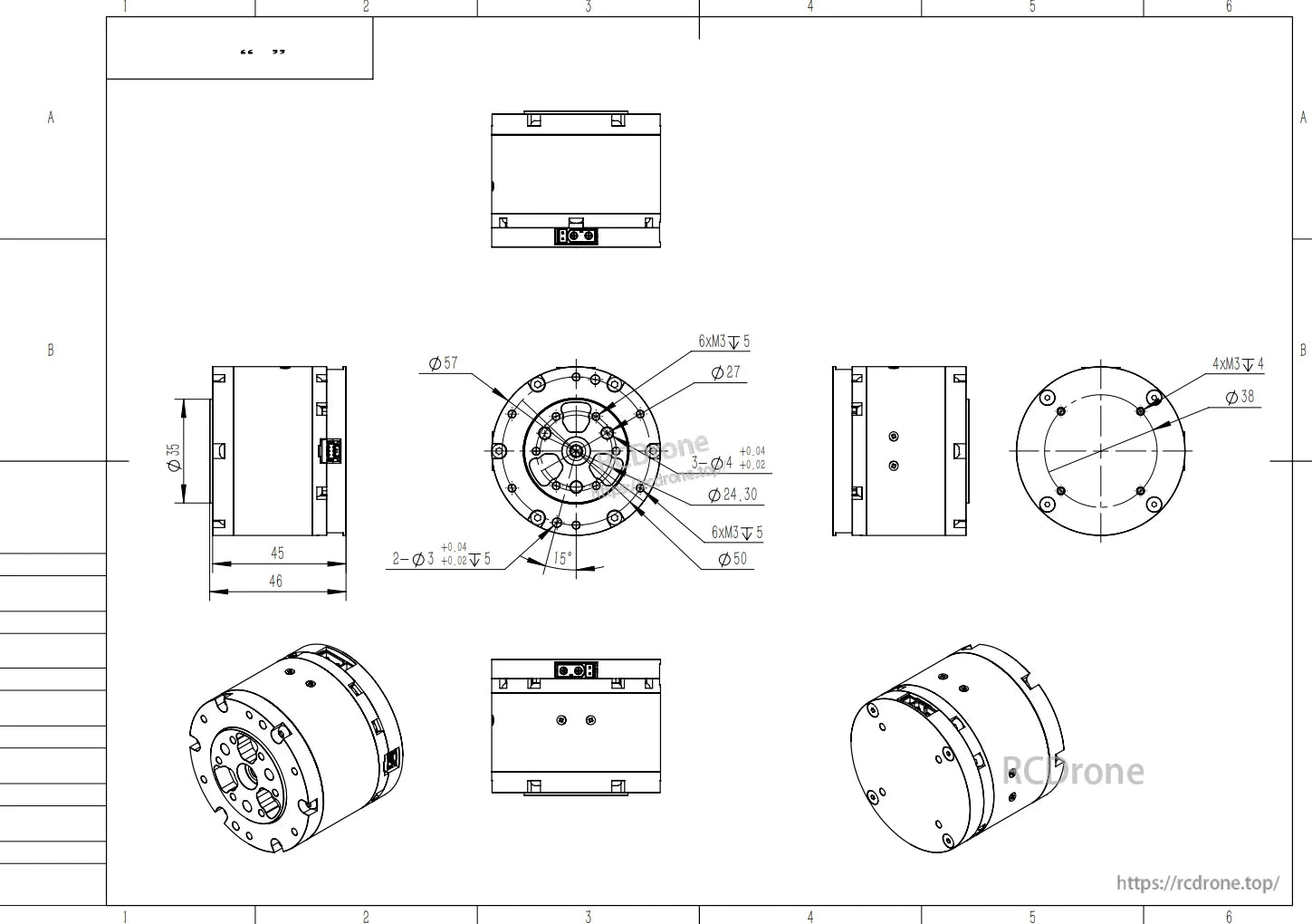
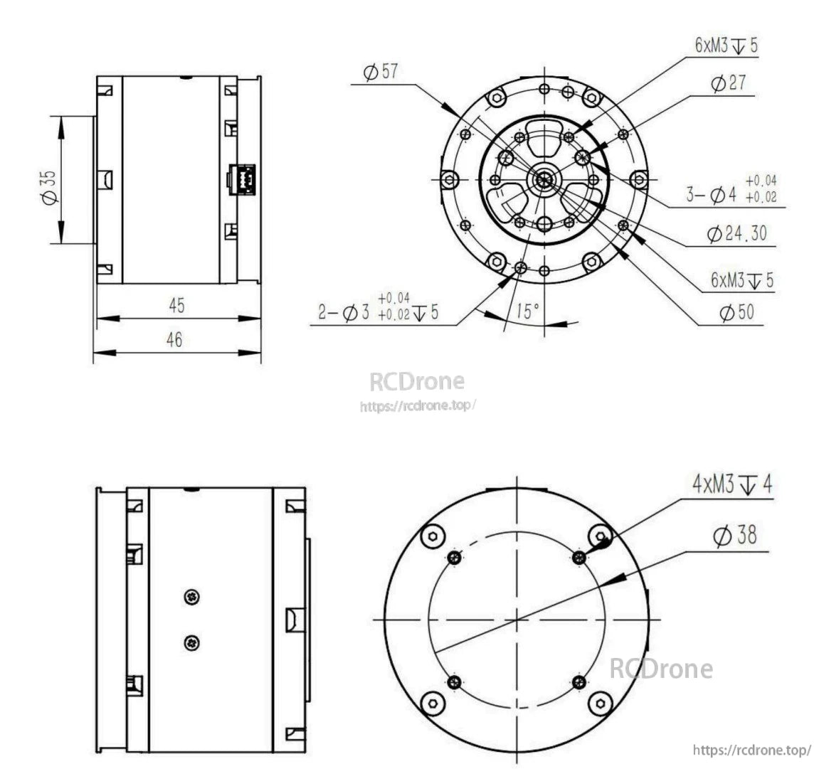
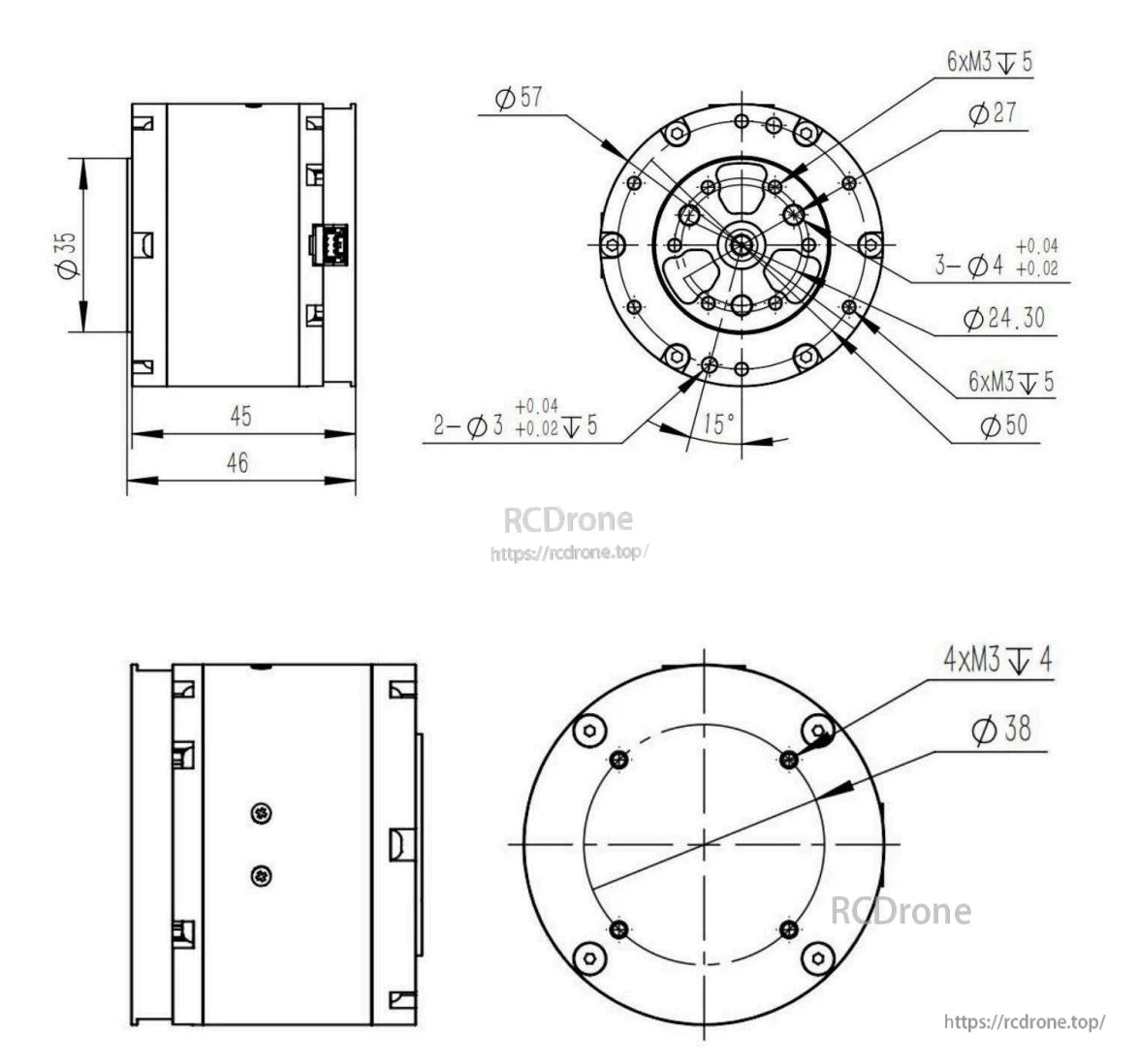
Размеры мотора
- Внешний диаметр: 57 мм
- Общая высота: 46 мм; длина корпуса: 45 мм
- Круг для болтов передней стороны: 6 x M3, глубина отверстия 5; диаметр круга 50 мм
- Круг для болтов задней стороны: 4 x M3, глубина отверстия 4; диаметр круга 38 мм
- Внутренний круг: 24. html 30мм
- Три отверстия: 4мм (+0.04 / +0.02)
- Два отверстия: 3мм (+0.04 / +0.02), глубина 5
- Угол наклона: 15°
Применения
- Человекообразные роботы
- Роботизированные руки
- Экзоскелеты
- Четвероногие роботы
- AGV-автомобили
- ARU-роботы
Интеграция с открытым исходным кодом
OpenArm — это полностью открытый человекоподобный роботизированный манипулятор, разработанный для исследований в области физического ИИ и развертывания в средах с высоким уровнем контакта.
Руководства
- DAMIAO_DM_J4310_2EC_V1.1_Motor.stp
- DM-J4310-2EC_Gear_Motor_Instructions.pdf
- DM_J4310_V1.1_instalation_drawing.pdf
Детали

Технический чертеж моторa робота с размерами и спецификациями

Спецификации, размеры и механические чертежи моторa DAMIAO DM-J4310-2EC включены.
Related Collections

Изучите больше дронов и аксессуаров
-
Квадрокоптер с камерой
Наша коллекция камерных дронов включает широкий ассортимент брендов, таких как FIMI, JJRC,...
-
Дроновые аксессуары
Откройте для себя широкий ассортимент аксессуаров для дронов, чтобы улучшить летные характеристики,...