Обзор
RCDrone MD30 - это компактный микро линейный сервопривод, разработанный для точного движения вперед/назад в ограниченных пространствах. Он работает на 6V, предлагает 30 мм ход и поддерживает несколько вариантов управления/интерфейса, таких как PWM, LV-TTL и RS485. С точностью управления 0.1 мм и небольшими габаритами, он подходит для робототехники, автоматизации, медицинских устройств и сборок, связанных с БПЛА, которые требуют точного линейного позиционирования.
Ключевые особенности
-
Микро линейный сервопривод с регулируемым/управляемым позиционированием хода
-
30 мм ход с 0.1мм контрольная точность
-
Несколько вариантов интерфейса: PWM / LV-TTL / RS485
-
Доступны конфигурации скорости/нагрузки (см. таблицу ниже)
-
Рейтинг защиты IP23
-
Компактное крепление с Ø3мм монтажными отверстиями
Технические характеристики
| Наименование | Значение |
|---|---|
| Модель | MD30 (пример метки: MD30-06P-06) |
| Номинальное напряжение | 6В |
| Рейтинг защиты | IP23 |
| Мощность без нагрузки | 2Вт |
| Скорость без нагрузки | 20мм/с |
| Скорость при полной нагрузке | 12мм/с |
| Ход | 30мм |
| Цвет | Черный |
Опции скорости / силы (выбор)
| Опция | Скорость | Сила (Толкание/Тяга) |
|---|---|---|
| Высокая сила | 6мм/с | 100N |
| Сбалансированный | 12мм/с | 60N |
| Высокая скорость | 20мм/с | 10N |
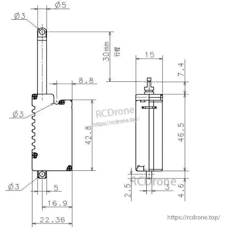
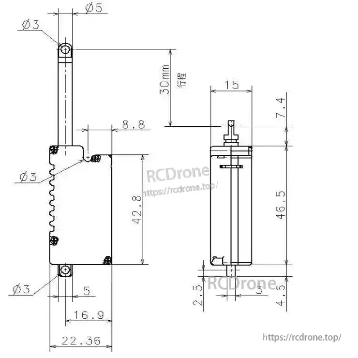
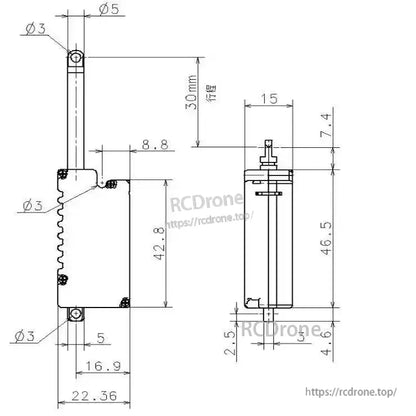
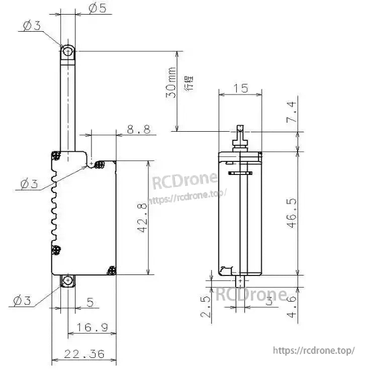
Размеры &и крепление (мм)
| Товар | Значение |
|---|---|
| Ход | 30 |
| Длина корпуса | 46.5 |
| Толщина корпуса (ширина в боковом виде) | 15 |
| Высота корпуса (основной секции) | 42.8 |
| Максимальная ширина (нижнее измерение) | 22.36 |
| Диаметр монтажного отверстия | Ø3 |
Опции интерфейса / управления
-
ШИМ
-
LV-TTL
-
RS485
-
Дополнительные конфигурации управления: управление направлением с переключением питания, и управление направлением с регулируемой силой/скоростью/ходом (в зависимости от конфигурации)
Применения
-
Робототехнические соединения, маленькие захваты, задвижки, клапаны и ползунки
-
Оборудование для промышленной автоматизации и компактные модули позиционирования
-
Микродвижущие механизмы медицинского оборудования
-
Механизмы БПЛА и полезной нагрузки, требующие точного линейного привода
Что включено
1 × MD30 микро линейный сервопривод (с прикрепленным кабелем/проводкой)
Примечания
-
Выберите вариант скорости/силы в зависимости от вашего требуемого груза и времени перемещения (большая сила обычно означает меньшую скорость).
-
Если вам нужен конкретный протокол, проводка или режим управления (PWM против LV-TTL против RS485), подтвердите совместимость вашего контроллера перед заказом.

Related Collections

Изучите больше дронов и аксессуаров
-
Квадрокоптер с камерой
Наша коллекция камерных дронов включает широкий ассортимент брендов, таких как FIMI, JJRC,...
-
Дроновые аксессуары
Откройте для себя широкий ассортимент аксессуаров для дронов, чтобы улучшить летные характеристики,...