MAD M6C15 IPE V3 Drone Motoruna Genel Bakış
MAD M6C15 IPE V3.0 Drone Motoru, çeşitli drone uygulamaları için tasarlanmış çok yönlü ve yüksek performanslı bir motordur ve farklı güç ihtiyaçlarına uyacak şekilde iki KV derecesinde (170 KV ve 330 KV) mevcuttur. Tayvan'dan gelen yüksek kaliteli antikorozif malzemelerle üretilen bu ürün, 180°C'ye kadar dayanabilen vernikli teliyle dayanıklılık ve güvenilirlik sağlar.
-
170 KV Versiyon:
- Nominal Gerilim: 12S lipo pil
- Maksimum Akım: 56,52A
- Maksimum Güç: 2668W
- Maksimum İtme Gücü: 12 kg
- Önerilen Pervaneler: 21x6,3, 22x6,6, 22,1x7,4, 22x7, 22,2x7, 22,2x7,2, 24x7,5
-
330 KV Versiyon:
- Nominal Gerilim: 6S lipo pil
- Maksimum Akım: 83,9A
- Maksimum Güç: 1872W
- Maksimum İtme Gücü: 8,6 kg
- Önerilen Pervaneler: 21x6,3, 22x6,6, 22,1x7,4, 22x7, 22,2x7,2, 24x7,5
Her iki versiyon da, toza ve düşük basınçlı su jetlerine karşı dayanıklılık sağlayan IP45 korumasıyla donatılmıştır. Motorlar, mükemmel merkezkaç ısı dağılımı ve hassas rotor dengesi sunarak onları önemli kalkış ağırlıklarına sahip quadcopter'lar, hexacopter'ler ve oktokopterler için ideal kılar. MAD M6C15 IPE V3.0, yüksek talep gören drone uygulamaları için güvenilir ve verimli bir çözüm sunar.
MAD M6C15 IPE V3 Drone Motoru Teknik Özellikleri
Motor Verileri
| Parametre | Değer |
|---|---|
| Motor Modeli | MAD M6C15 IPE V3.0 |
| Kutup Çifti Sayısı | 14 |
| Statör | TAYVAN / Antikorozif |
| Vernikli Tel Derecesi | 180°C |
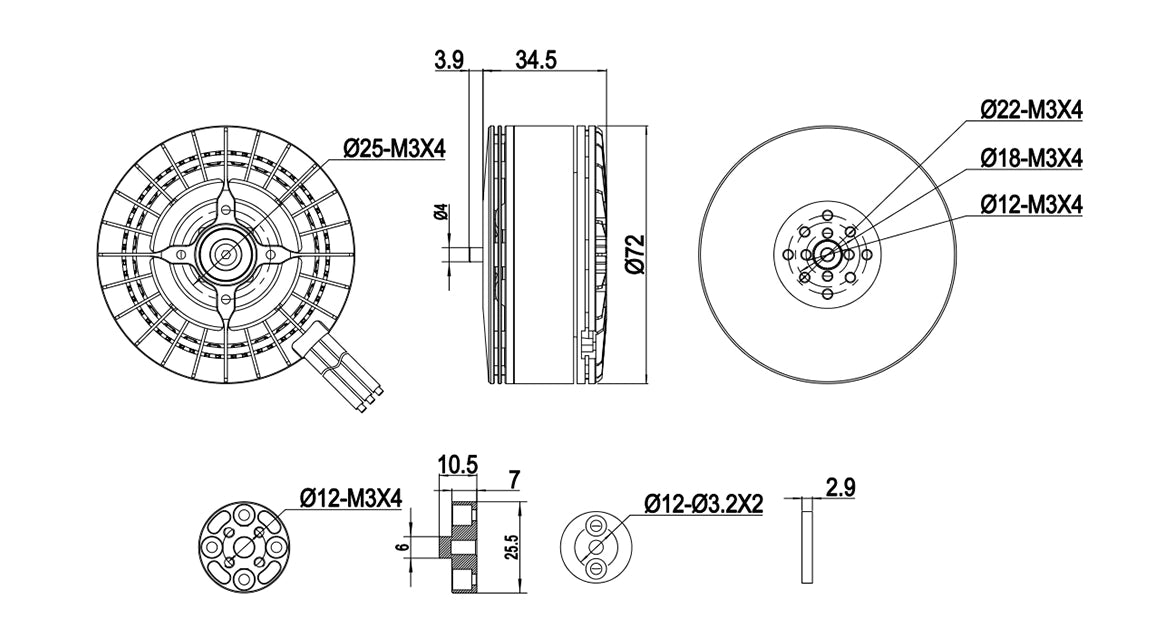
| Motor Boyutu | D: 72 × 38,4 mm |
| Mıknatıs Derecesi | 150°C |
| Koruma Derecesi | IP45 |
| Kablo Uzunluğu | 150 mm 16# Awg (Siyah) silikon |
| Santrifüjlü Isı Dağıtımı | EVET |
| Rotor Dengesi | ≤5 mg |
| Pervane Montaj Delikleri | D: 12 M3×4, D: 18 M3×4, D: 22 M3×4 |
| Motor Dengesi | ≤10 mg |
| Şaft Çapı | İÇ: 6 mm |
| Motor Montaj Delikleri | D: 25 M3×4 |
| Rulman | EZO 696ZZ *2 |
| Yıkıcı Test | 500V |
| Ek Aksesuarlar | M6 Pervane Adaptörü *1, M6 Pervane Plakası *1, Ø4-6 Adaptör Halkası *1, 3.5mm Mermi Konnektörü *3, Isıyla Daralan Boru 3, M310mm 4 Motor Vidaları, M36mm 4 Pervane Adaptörü Sabitleme Vidaları, M312mm *2 Pervane Vidaları, Etiket *1 |
Teknik Özellikler
| Parametre | 170 KV | 330 KV |
|---|---|---|
| RPM/V | 170 KV | 330 KV |
| Nominal Gerilim | 12S lipo pil | 6S lipo pil |
| Yük Akımı Yok | 1,4A / 30V | 3,1A / 20V |
| İç Direnç | 53,5mΩ | 20mΩ |
| Motor Ağırlığı | 330 g | 340 g |
| Ürün Kutulu Ağırlığı | 510g (110 x 110 x 55 mm) | 520g (110 x 110 x 55 mm) |
| Maksimum Akım | 56,52 A | 83.9 A |
| Maksimum Güç | 2668W | 1872W |
| Maksimum İtme | 12 kg | 8,6 kg |
| Maksimum Tork | 3,40 Nm | 2,43 Nm |
| Önerilen ESC | MAD AMPX 80A (5-14S) | MAD AMPX 80A (5-14S) |
| Önerilen Pervaneler | 21x6,3, 22x6,6, 22,1x7,4, 22x7, 22,2x7, 22,2x7,2, 24x7,5 | 21x6,3, 22x6,6, 22,1x7,4, 22x7, 22,2x7,2, 24x7,5 |
| İHA Kalkış Ağırlığı | 6S-22”/ 13kg--Quadcopter 19,5kg--Hexacopter 26kg--Octocopter |
6S-22”/ 11kg--Quadcopter 16,5kg--Hexacopter 22kg--Octocopter |
| Tek Rotorlu Kalkış Ağırlığı | 4kg ~ 5kg | 3kg ~ 4kg |
MAD ANTIMADDE motorları, çok rotorlu motorlar alanında "sıradan olmayan" olarak tanımlanmaktadır. ANTIMATTER serisi motorları (M6C06, M6C08, M6C10, M6C12) 2019'un sonunda piyasaya sürmekten gurur duyuyoruz. 21-24 inç pervanelerle hangi drone motorlarının en verimli olduğunu tasarlamak ve kanıtlamak için bir yıl harcadık. Bu sihir! Polonya'da MAD Bileşenleri.
Antimadde M6C15EEE, 3-4,5 kg'lık yük taşıyacak şekilde tasarlanmıştır, 6S-12S voltajı destekler.
MAD M6C15 IPE V3 Drone Motoru Ayrıntıları

Çizim ve montaj delikleri



Related Collections

Daha fazla dron ve aksesuar keşfedin
-
Kamera Drone
Kamera Drone Koleksiyonumuz, FIMI, JJRC, SJRC, Holy Stone, Potensic, EXO, ZLL ve...
-
Drone Aksesuarları
Uçuş performansını artırmak, pil ömrünü uzatmak ve ekipmanınızı korumak için geniş bir...