نظرة عامة
محرك الروبوت DAMIAO DM-J4310P-2EC هو وحدة دفع مدمجة للروبوتات مع نسبة تخفيض 10:1، ومشفّرين مغناطيسيين مزدوجين بدقة 16 بت للدوران الواحد، وتحكم عبر ناقل CAN. متوفر بنسخ 24 فولت و48 فولت، يوفر عزم دوران اسمي قدره 3.5 نيوتن متر وعزم دوران ذروة يصل إلى 12.5 نيوتن متر مع سرعة اسمية تبلغ 120 دورة في الدقيقة. يبلغ قطر المحرك الخارجي 57 مم، وارتفاعه 49 مم، ووزنه 325 جرام. يتم التكوين عبر واجهة UART عالية السرعة.
الميزات الرئيسية
- الموديل: DM-J4310P-2EC (24 فولت / 48 فولت)
- عزم الدوران الاسمي 3.5 نيوتن متر؛ عزم الدوران الذروة 12.5 N م
- السرعة الاسمية 120 دورة في الدقيقة؛ الحد الأقصى لسرعة عدم التحميل تصل إلى 200 دورة في الدقيقة (24 فولت) / 450 دورة في الدقيقة (48 فولت)
- مشفّرات مزدوجة: 2 × مشفّر مغناطيسي بدوران واحد، دقة 16 بت
- تحكم عبر ناقل CAN بسرعة 1 ميغابت في الثانية؛ تكوين UART بسرعة 921600 بت في الثانية
- أوضاع التحكم: وضع MIT، وضع الموضع، وضع السرعة
- شكل مضغوط: 57 مم قطر خارجي، 49 مم ارتفاع، 325 غرام
المواصفات
| المعلمة | DM-J4310P-2EC (24 فولت) | DM-J4310P-2EC (48 فولت) |
|---|---|---|
| الجهد الاسمي | 24 فولت | 48 فولت |
| التيار الاسمي | 4.9 أ / 3.1 أ @ 24 فولت | 4.8 أ / 1.6 أ @ 48 فولت |
| التيار الأقصى | 20 أ / 15.6 أ @ 24 فولت | 20 أ / 12.8 أ @ 48 فولت |
| عزم الدوران الاسمي | 3.5 ن م | 3.5 ن م |
| عزم الدوران الأقصى | 12.5 ن م | 12.5 ن م |
| السرعة الاسمية | 120 دورة في الدقيقة | 120 دورة في الدقيقة |
| الحد الأقصى.html | ||
| سرعة بدون تحميل | 200 RPM | 450 RPM |
| نسبة التخفيض | 10:1 | 10:1 |
| أزواج الأقطاب | 14 | 14 |
| محاثة الطور | 320 uH | 320 uH |
| مقاومة الطور | 580 mOhm | 580 mOhm |
| القطر الخارجي | 57 mm | 57 mm |
| الارتفاع | 49 mm | 49 mm |
| وزن المحرك | 325 g | 325 g |
| دقة المشفر | 16-bit | 16-bit |
| عدد المشفرات | 2 | 2 |
| نوع المشفر | مشفر مغناطيسي بدورة واحدة | مشفر مغناطيسي بدورة واحدة |
| واجهة التحكم | CAN @ 1 Mbps | CAN @ 1 Mbps |
| واجهة التكوين | UART @ 921600 bps | UART @ 921600 bps |
| وضع التحكم | وضع MIT / وضع الموضع / وضع السرعة | وضع MIT / وضع الموضع / وضع السرعة |
التطبيقات
- الروبوتات الشبيهة بالبشر
- الأذرع الروبوتية
- الهياكل الخارجية
- الروبوتات رباعية الأرجل
- مركبات AGV
- روبوتات ARU
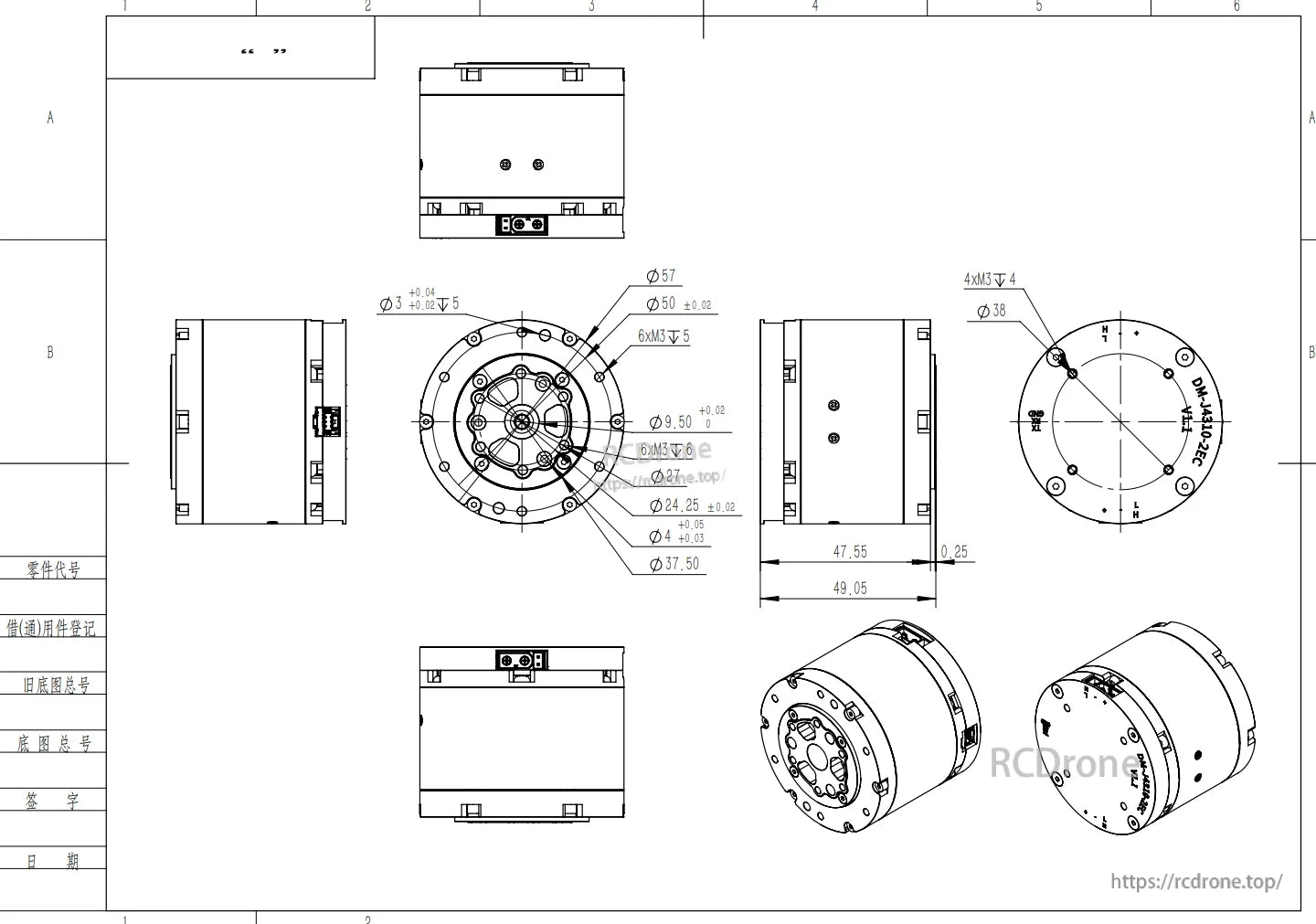
رسم التركيب
- القطر الخارجي: 57 مم
- ارتفاع مرجعي إجمالي: 49.
- سمك: 05 مم؛ طول الجسم المرجعي: 47.55 مم
- الوجه الأمامي: 6 فتحات تثبيت M3
- الوجه الخلفي: 4 فتحات تثبيت M3 على دائرة قطرها 38 مم
الكتيبات
التفاصيل

الرسم الفني لمحرك الروبوت DAMIAO DM-J4310P-2EC مع الأبعاد، والوجهات، والمواصفات للتصميم الميكانيكي والتصنيع.
Related Collections

استكشف المزيد من الطائرات بدون طيار وملحقات
-
طائرة درون بكاميرا
تتميز مجموعة طائرات الكاميرا لدينا بتشكيلة واسعة من العلامات التجارية بما في...
-
FPV بدون طيار
استكشف مجموعتنا الكاملة من طائرات FPV بدون طيار، والتي تضم طائرات سباق،...
-
إكسسوارات الطائرات بدون طيار
اكتشف مجموعة واسعة من ملحقات الطائرات المسيرة لتحسين أداء الطيران، وإطالة عمر...