Overview
موتور TLIBOT FCS-AO (مدل 14) یک موتور ربات دقیق برای مفاصل رباتیک مفصلی و پلتفرمهای متحرک است. این موتور در نسبتهای کاهش 50، 80 و 100 ارائه میشود و گشتاور خروجی نامی از 5.7 تا 8.2 نیوتنمتر در ورودی 2000 دور در دقیقه را فراهم میکند. این سیستم از سرعتهای ورودی بالا تا 8500 دور در دقیقه پشتیبانی میکند و سرعت ورودی متوسط مجاز 3500 دور در دقیقه است. مقادیر ممان اینرسی به صورت I = 0.033 x 10^-4 کیلوگرممتر^2 و J = 0.034 x 10^-5 کیلوگرممتر^2 میباشد.
ویژگیهای کلیدی
- مدل 14 با نسبتهای کاهش: 50 / 80 / 100
- گشتاور نامی در ورودی 2000 دور در دقیقه: 5.7–8.2 نیوتنمتر (0.6–0.8 کیلوگرمفوت)
- گشتاور اوج مجاز در شروع/توقف: 18.7–29 نیوتنمتر (1.9–3.0 کیلوگرمفوت)
- گشتاور حداکثر مجاز آنی: 36–56 نیوتنمتر (3.7–5.7 کیلوگرمفوت)
- حداکثر سرعت ورودی مجاز: 8500 دور در دقیقه؛ سرعت ورودی متوسط مجاز: 3500 دور در دقیقه
- ممان اینرسی: I 0.033 x 10^-4 کیلوگرممتر^2؛ J 0.html 034 x 10^-5 kgm^2
مشخصات
| پارامتر | 50 | 80 | 100 |
|---|---|---|---|
| مدل | 14 | 14 | 14 |
| نسبت کاهش | 50 | 80 | 100 |
| گشتاور نامی در ورودی 2000 دور در دقیقه (Nm) | 5.7 | 8.2 | 8.2 |
| گشتاور نامی در ورودی 2000 دور در دقیقه (kgfm) | 0.6 | 0.8 | 0.8 |
| گشتاور اوج مجاز در شروع و توقف (Nm) | 18.7 | 23.9 | 29 |
| گشتاور اوج مجاز در شروع و توقف (kgfm) | 1.9 | 2.4 | 3.0 |
| حداکثر مقدار مجاز گشتاور بار متوسط (Nm) | 7.2 | 11.6 | 11. html 6 |
| حداکثر مقدار مجاز گشتاور بار متوسط (kgfm) | 0.7 | 1.2 | 1.2 |
| گشتاور حداکثر مجاز آنی (Nm) | 36 | 49 | 56 |
| گشتاور حداکثر مجاز آنی (kgfm) | 3.7 | 5.0 | 5.7 |
| حداکثر سرعت ورودی مجاز (r/min) | 8500 | 8500 | 8500 |
| سرعت ورودی متوسط مجاز (r/min) | 3500 | 3500 | 3500 |
| مقدار ممان اینرسی (I x 10^-4 kgm^2) | 0.033 | 0.033 | 0.033 |
| مقدار ممان اینرسی (J x 10^-5 kgm^2) | 0.034 | 0. 034 |
برنامهها
- رباتهای انساننما
- بازوهای رباتیک
- اسکلتهای خارجی
- رباتهای چهارپا
- وسایل نقلیه AGV
- رباتهای ARU
برای سوالات فنی، درخواستهای سفارشی یا سفارشات عمده، لطفاً با support@rcdrone.top or تماس بگیرید https://rcdrone.top/.
راهنماها
- FCS-14-XXX-AO--Product_structure_diagram.pdf
- FCS-17-XXX-AO--Product_structure_diagram.pdf
- FCS-20-XXX-AO--Product_structure_diagram.pdf
- FCS-25-XXX-AO--Product_structure_diagram.pdf
- FCS-32-XXX-AO--Product_structure_diagram.pdf
- FCS-40-XXX-AO--Product_structure_diagram.pdf
- FCS-AO_3D_Model_STEP.zip
جزئیات

TLIBOT کاهنده هارمونیک، انتقال دقیق، 15 سال تجربه، 3-100 مدل، سفارشیسازی، خدمات کامل.

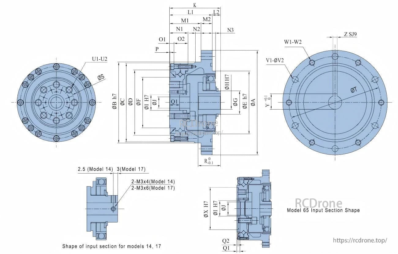
نقشه فنی موتور ربات TLIBOT FCS-AO 14 با ابعاد، اشکال بخش ورودی برای مدلهای 14، 17، 65 و نماهای دقیق و مشخصات.

مشخصات موتورهای ربات TLIBOT FCS-AO 14–65 شامل ابعاد، تلورانسها و پارامترها برای شافتها، سوراخها و فضاها، با اندازهگیریها و نمادهای دقیق در اندازههای مدل.

مشخصات فنی موتور ربات TLIBOT FCS-AO 14، شامل نسبتهای کاهش، مقادیر گشتاور، محدودیتهای سرعت و دادههای اینرسی در مدلهای مختلف از 14 تا 65.

محصولات شامل مدلهای مختلف: 3، 5، 8، 11، 14، 17، 20، 25، 32، 40، 45، 50، 58، 65، 100. نسبتهای کاهش: 30، 50، 80، 100، 120، 160، 320 و بیشتر.
Related Collections

هواپیماهای بدون سرنشین و لوازم جانبی بیشتر را کاوش کنید
-
پهپاد دوربیندار
مجموعه پهپادهای دوربین ما شامل طیف وسیعی از برندها از جمله FIMI،...
-
هواپیمای بدون سرنشین FPV
مجموعه کامل هواپیماهای بدون سرنشین FPV ما را با پهپادهای Racing، Freestyle،...
-
لوازم جانبی هواپیماهای بدون سرنشین
طیف گسترده ای از لوازم جانبی هواپیماهای بدون سرنشین را برای بهبود...