Overview
موتور TLIBOT FHS-SO (مدل 14) یک موتور رباتیک جمع و جور برای مفاصل رباتیک و سیستمهای حرکتی است. این موتور نسبتهای کاهش انتخابی 50، 80 و 100 را با مشخصات گشتاور تأیید شده ارائه میدهد که برای رباتهای انساننما، بازوهای رباتیک، اسکلتهای خارجی، رباتهای چهارپا، وسایل نقلیه AGV و رباتهای ARU مناسب است. برای پشتیبانی فنی یا درخواستهای سفارشی، با support@rcdrone.top or تماس بگیرید یا به https://rcdrone.top/ مراجعه کنید.
ویژگیهای کلیدی
- گزینههای نسبت کاهش: 50، 80، 100
- گشتاور نامی در ورودی 2000 دور در دقیقه: 5.7 / 8.2 / 8.2 نیوتنمتر (0.58 / 0.84 / 0.84 کیلوگرمفم)
- گشتاور اوج مجاز در شروع و توقف: 19 / 24 / 29 نیوتنمتر (1.9 / 2.4 / 3.0 کیلوگرمفم)
- حداکثر مقدار مجاز گشتاور بار متوسط: 7.2 / 11.6 / 11.6 نیوتنمتر (0.74 / 1.2 / 1.2 کیلوگرمفم)
- گشتاور حداکثر مجاز آنی: 36 / 49 / 56 نیوتنمتر (3.7 / 5.0 / 5.7 kgfm)
- حداکثر سرعت ورودی مجاز: 8500 دور در دقیقه؛ سرعت ورودی متوسط مجاز: 3500 دور در دقیقه
- داراییهای مهندسی موجود: نمودارهای ساخت محصول و مدل 3D STEP
مشخصات
| پارامتر | 50 | 80 | 100 |
|---|---|---|---|
| مدل | 14 | 14 | 14 |
| گشتاور نامی در ورودی 2000 دور در دقیقه (Nm) | 5.7 | 8.2 | 8.2 |
| گشتاور نامی در ورودی 2000 دور در دقیقه (kgfm) | 0.58 | 0.84 | 0.84 |
| گشتاور اوج مجاز در شروع و توقف (Nm) | 19 | 24 | 29 |
| گشتاور اوج مجاز در شروع و توقف (kgfm) | 1.9 | 2.4 | 3.html 0 |
| حداکثر مقدار مجاز گشتاور بار متوسط (Nm) | 7.2 | 11.6 | 11.6 |
| حداکثر مقدار مجاز گشتاور بار متوسط (kgfm) | 0.74 | 1.2 | 1.2 |
| گشتاور حداکثر مجاز آنی (Nm) | 36 | 49 | 56 |
| گشتاور حداکثر مجاز آنی (kgfm) | 3.7 | 5.0 | 5. html 7 |
| حداکثر سرعت ورودی مجاز (دور در دقیقه) | 8500 | 8500 | 8500 |
| سرعت ورودی متوسط مجاز (دور در دقیقه) | 3500 | 3500 | 3500 |
کاربردها
- رباتهای انساننما
- بازوهای رباتیک
- اسکلتهای خارجی
- رباتهای چهارپا
- وسایل نقلیه AGV
- رباتهای ARU
راهنماها
- FHS-14-XXX-SO — نمودار ساختار محصول
- FHS-17-XXX-SO — نمودار ساختار محصول
- FHS-20-XXX-SO — نمودار ساختار محصول
- FHS-25-XXX-SO — نمودار ساختار محصول
- FHS-32-XXX-SO — نمودار ساختار محصول
- FHS-40-XXX-SO — نمودار ساختار محصول
- مدل 3D FHS-SO (STEP)
- WK8110 نقشه 2D
جزئیات

TLIBOT کاهنده هارمونیک، انتقال دقیق، 15 سال تجربه، 3-100 مدل، سفارشیسازی کامل، خدمات جامع.

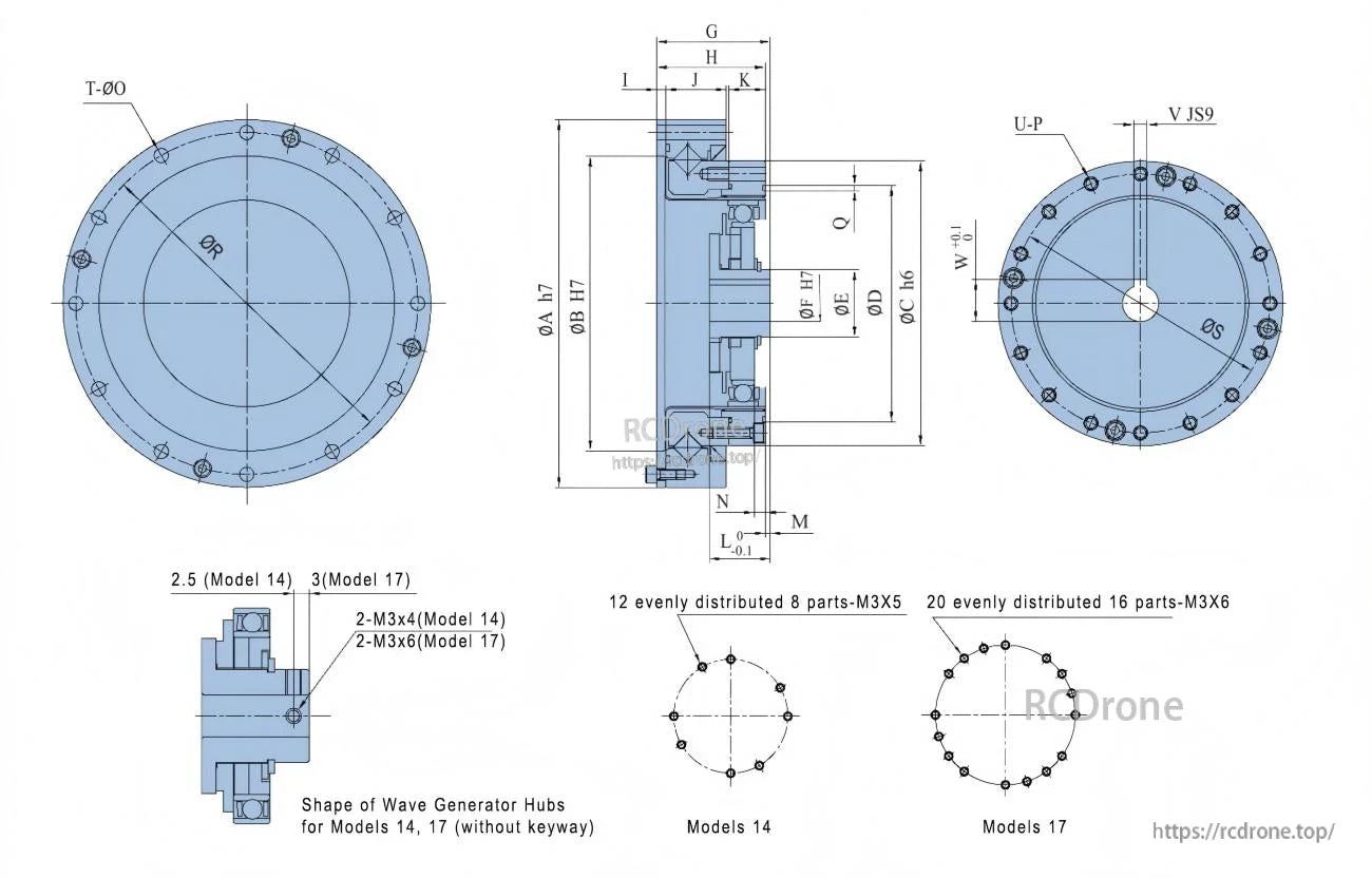
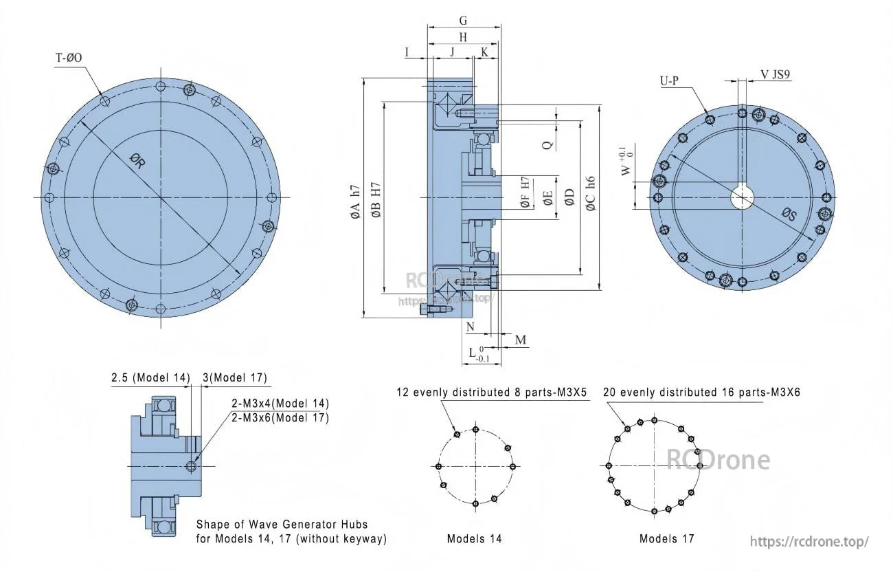
نقشه فنی موتور ربات مدلهای TLIBOT FHS-SO 14 و 17، شامل جزئیات ابعاد، الگوهای پیچ، اشکال هاب ژنراتور موج و مشخصات در نماهای مختلف.

مشخصات فنی موتور ربات TLIBOT FHS-SO مدلهای 14 تا 65، شامل ابعاد، تلورانسها، اندازه شفت، قطر سوراخ و جزئیات نصب برای اندازههای مختلف.

مشخصات فنی موتورهای ربات TLIBOT FHS-SO، شامل شماره مدلها، نسبتهای کاهش، مقادیر گشتاور، سرعتهای ورودی و شرایط عملیاتی مجاز در مدلهای مختلف از 14 تا 65.

مدلهای موجود: 3، 5، 8، 11، 14، 17، 20، 25، 32، 40، 45، 50، 58، 65، 100. نسبتهای کاهش: 30، 50، 80، 100، 120، 160، 320. طراحیهای مختلف موتور نمایش داده شده است.
Related Collections

هواپیماهای بدون سرنشین و لوازم جانبی بیشتر را کاوش کنید
-
پهپاد دوربیندار
مجموعه پهپادهای دوربین ما شامل طیف وسیعی از برندها از جمله FIMI،...
-
هواپیمای بدون سرنشین FPV
مجموعه کامل هواپیماهای بدون سرنشین FPV ما را با پهپادهای Racing، Freestyle،...
-
لوازم جانبی هواپیماهای بدون سرنشین
طیف گسترده ای از لوازم جانبی هواپیماهای بدون سرنشین را برای بهبود...