Visão geral
O Hobbywing P65M é um sistema de energia de drone de alto desempenho para transporte de cargas pesadas, projetado para UAVs industriais que exigem empuxo, eficiência e confiabilidade ultra-altos. Este Kit de energia de alta tensão série P entrega até 130 kg de empuxo máximo com um impulso de eixo único recomendado de 65 kg, tornando-o ideal para logística em larga escala, drones de combate a incêndio ou plataformas VTOL de carga pesada.
Principais características
Impulso máximo: 130 kg
Tensão nominal: 355 V (faixa de operação: 280 V–450 V CC)
Bateria compatível: 96–107S LiPo
Eficiência de empuxo recomendada: hélice de 72 polegadas, 7,5 g/W
Motor integrado, ESC e hélice de fibra de carbono 72x25”
Peso total do sistema: 7,43 kg (incluindo cabos e suporte)
Especificações do motor
Modelo: 15645
Classificação KV: 9,5 KV
Tamanho: Ø167,1 mm x H110,5 mm
Contagem de estator/pólos: 36N42P
Peso: 5115g ± 50g (incluindo fios)
Proteção de entrada: IPX5 – Protegido contra poeira e resistente a jatos de água
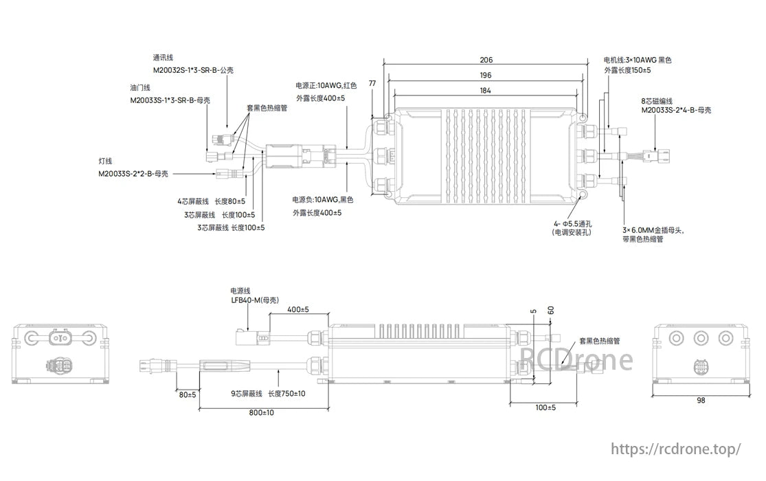
Especificações ESC
Modelo: 100A-FOC
Protocolos de comunicação: UAVCAN / RS485
Dimensões: 225,6 x 98 x 60 mm (com conectores)
Peso: 1200g (incluindo fios)
Corrente máxima: 100A (3 segundos)
Corrente contínua: 40A
Proteção de entrada: IP67 – Totalmente à prova de poeira e protegido contra imersão em água
Suporte de aceleração dupla: CAN+RS485 / CAN+PWM / RS485+PWM
Faixa PWM: 1100–1940 μs
Registro de caixa preta: 2 a 48 horas de dados em tempo real
Especificações da hélice
Tamanho: 72 x 25 polegadas
Material: Fibra de carbono de alta resistência (passo fixo)
Peso: 1150g ± 20g por lâmina
Dimensões de montagem: D60–6*M6, furo central D20
Especificações mecânicas e ambientais
Compatibilidade de montagem em tubo: φ60mm
Faixa de temperatura operacional: -35°C a +55°C
Proteção do sistema: classificação IP35 para unidade motora
Este sistema potente combina ESC FOC de engenharia de precisão, motor de alta eficiência de grande diâmetro, e Hélices de fibra de carbono de 72 polegadas para operações de elevação pesada sem interrupções em cenários de alta tensão. Seja usado em drones de entrega de logística, UAVs de transporte industrial ou plataformas de inspeção de linhas de energia, o Asa de passatempo P65M proporciona estabilidade, potência e desempenho excepcionais.




Related Collections

Explore mais drones e acessórios
-
Drone com Câmara
A nossa Coleção de Drones com Câmera apresenta uma ampla gama de...
-
Acessórios de drones
Descubra uma ampla gama de acessórios para drones para aprimorar o desempenho...