Visão Geral
O WitMotion WT31N Inclinómetro é um módulo MEMS em miniatura que mede aceleração em 3 eixos (X/Y/Z) e calcula o ângulo de dois eixos (rolamento &e inclinação em X/Y) com um filtro de Kalman e um MCU de 8 bits. Ele fornece tempo, aceleração e ângulo através de UART (TTL) a até 100 Hz. Projetado para projetos embutidos compactos, suporta sistemas de 3.3–5 V e conecta-se facilmente a PCs (USB-TTL) ou telefones Android (OTG + USB-TTL).
Nota: o WT31 reporta apenas ângulos X/Y; sem ângulo no eixo Z (sem giroscópio no módulo).
Principais Características
-
Aceleração: eixos X/Y/Z
-
Ângulos: X (rolamento), Y (inclinação)
-
Precisão do ângulo estático: ±0.1° (X/Y)
-
Filtro/resolvedor: Filtro de Kalman, cálculo de ângulo a bordo (saída estilo AHRS para X/Y)
-
Interface de saída: UART (TTL), 115200 baud (TX↔RX cruzado)
-
Taxa de atualização: 100 Hz
-
Fornecimento & consumo: 3.3–5 V, <10 mA
-
Software para PC: gravação de dados, painel/ módulo 3D, exibição de curvas (Windows XP/7/8/10)
-
Aplicativo Android: configuração, calibração, dados ao vivo &e gravação (via OTG + USB-TTL)
Especificações
| Item | Valor |
|---|---|
| Nome do produto | Inclinômetro WT31 |
| Marca | WitMotion |
| IC | STM8 + LIS3DH |
| Tensão de alimentação | 3.3 V – 5 V |
| Corrente | <10 mA |
| Dados de saída | Tempo, Aceleração, Ângulo |
| Eixos | ACC: X/Y/Z; Ângulo: X/Y (roll/pitch) |
| Intervalo de aceleração | ±16 g |
| Intervalo de ângulo | X: ±90°, Y: ±90° |
| Resolução de aceleração | 0.0005 g |
| Precisão do ângulo estático | ±0.1° (X/Y) |
| Ângulo dinâmico | Não aplicável (sem giroscópio) |
| Taxa de atualização | 100 Hz |
| Interface | UART (TTL) |
| Taxa de transmissão | 115200 |
| Tamanho | 15.24 mm × 15.24 mm × 2 mm |
| Peso | ≈0.34 g |
| Nota | Sem ângulo do eixo Z porque não há giroscópio |
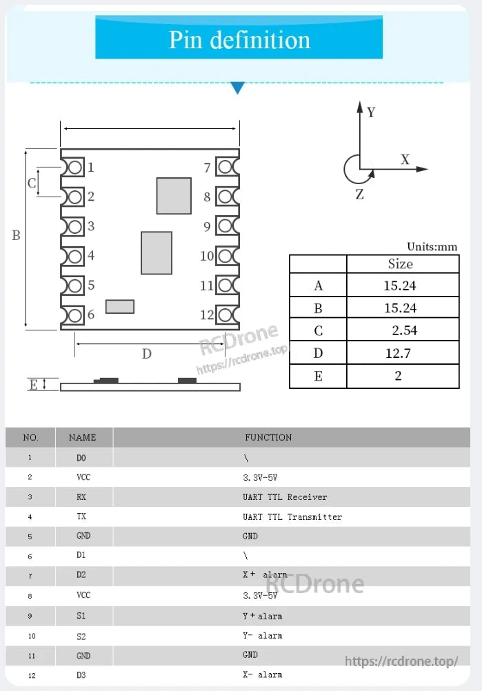
Dimensões (placa)
-
A = 15.24 mm, B = 15.24 mm, C = 2.54 mm, D = 12.7 mm, E = 2 mm (conforme desenho)
Definição de pinos
| N.º | Nome | Função |
|---|---|---|
| 1 | D0 | — |
| 2 | VCC | 3.3–5 V |
| 3 | RX | Receptor UART-TTL |
| 4 | TX | Transmissor UART-TTL |
| 5 | GND | Terra |
| 6 | D1 | — |
| 7 | D2 | Alarme X+ |
| 8 | VCC | 3.3–5 V (segundo pad) |
| 9 | S1 | Alarme Y+ |
| 10 | S2 | Alarme Y- |
| 11 | GND | Terra |
| 12 | D3 | Alarme X- |
Dicas de conexão
-
MCU: VCC→VCC, TX→RX, RX→TX, GND→GND.
-
PC: conectar via adaptador USB-TTL.
-
Android: OTG + adaptador USB-TTL.
Software &e Funções de Aplicação
-
Registo de dados e exportação
-
Módulo 3D / painel de visualização
-
Exibição de curva de dados em tempo real
-
Menus de configuração &e calibração na aplicação
Aplicações Típicas
Monitorização de inclinação IoT, nivelamento de UGV/robôs, mapeamento de equipamentos, monitorização ambiental/estrutural, alinhamento de equipamentos de energia e proteção de edifícios onde são necessários dados compactos de acelerómetro + inclinómetro e saída UART-TTL.
Detalhes

MEMS IMU para IoT, monitorização ambiental, UGV, energia, mapeamento e proteção de edifícios. O inclinómetro WT31 oferece 0.1° precisão, filtro de Kalman, saída UART, e mede aceleração, velocidade angular e ângulo.

Inclinómetro de alta precisão com filtro de Kalman e MCU de 8 bits

Características do software para PC: registo de dados, módulo 3D, exibição de curvas, painel de controlo, configuração, compatível com Windows XP/7/8/10. Conexão: VCC TX RX GND ligado a USB-TTL +5V/3V3 RX TX GND; TX para RX, RX para TX.

O software exibe dados do sensor em tempo real (aceleração, ângulo, campos magnéticos). Requer OTG e USB-TTL para dispositivos Android, com detalhes de fiação e layout da interface para configuração e calibração do módulo.

O aplicativo do inclinómetro WitMotion WT31N exibe configurações, dados em tempo real e registos. O diagrama de conexão mostra a interface do MCU com os pinos VCC, TXD, RXD, GND para comunicação serial.

Inclinómetro WitMotion WT31, 0.34g, IC STM8+Lis3dh, 3.3V-5V, <10mA, 15.24×15.24×2mm. Saídas de dados de aceleração e ângulo via UART (TTL) a 115200bps, taxa de 100Hz. Sem ângulo no eixo Z devido à ausência de giroscópio.

Definição dos pinos para o inclinómetro WitMotion WT31N, incluindo dimensões e funções de 12 pinos, com interface UART TTL e sinais de alarme.
Related Collections

Explore mais drones e acessórios
-
Drone com Câmara
A nossa Coleção de Drones com Câmera apresenta uma ampla gama de...
-
Acessórios de drones
Descubra uma ampla gama de acessórios para drones para aprimorar o desempenho...